各建设、勘察、设计、施工、监理单位,有关管理部门:
根据《湖北省行政规范性文件管理办法》(湖北省人民政府令第379号)、《武汉市行政规范性文件管理办法》(武汉市人民政府令第290号)规定,《市城建委关于印发<武汉市建设工程竣工档案编制及报送规定>的通知》(武城建规〔2016〕10号)经评估后决定继续实施,有效期为五年。
武汉市城乡建设局
2022年2月16日
武汉市建设工程竣工档案编制及报送规定
第一章 总 则
第一条 为加强建设工程文件归档工作,统一建设工程档案的验收(接收)标准,建立真实、完整、准确的工程档案,根据《武汉市城市建设档案管理办法》、《科学技术档案案卷构成的一般要求》、《建设工程文件归档规范》(GB/T50328-2014)和《建筑工程施工文件管理规范》(DB42/T503-2008)等有关规定,制定本规定。
第二条 本规定所称城市建设工程档案的范围为:市政基础设施工程档案;城市公用基础设施工程档案;城市交通基础设施工程档案;城市园林建设、风景名胜建设工程档案;市容环境卫生设施建设工程档案;工业与民用建筑工程档案;城市环保、防洪、防灾、抗震和人防工程档案;除军事禁区、军事管理区以外的穿越市区的地下管线走向、有关隐蔽工程的位置图等军事工程档案;城市地下管线工程及管网普查、补测成果档案。
本规定所称的竣工档案是指在工程建设过程中形成的各种形式的信息记录,包括具有保存价值的建设工程准备阶段文件、监理文件、施工文件、竣工图和竣工验收文件的文字、图纸、图表、声像等各种文件材料。
第三条 对列入城建档案管理机构接收范围的工程,建设单位在工程竣工验收合格之日起三个月内,应向城建档案馆移交一套符合规定的工程档案。
第四条 本规定适用于本市行政区域内所有建设工程竣工档案的编制及报送工作。
第二章 工程文件的内容及编制
第五条 对与工程建设有关的重要活动、记载工程建设主要过程和现状、具有保存价值的各种载体的文件,均应收集齐全、整理立卷归档。
第六条 工程文件的内容必须真实反映工程建设的全过程,与工程实际相符,不得随意涂改。工程文件的内容详见本规定附件一、附件二的要求。
采用新工艺、新技术、新材料的工程按有关要求据实增加。
第七条 竣工图编制应符合下列要求:
(一)在施工图上编制的竣工图,图纸须符合设计审查部门的要求。
(二)设计没有变更的,在本条(一)款的图上加盖“竣工图章”后作为竣工图。
(三)局部设计有变更的,在本条(一)款的图上进行修改、补充,并注明修改依据,加盖“竣工图章”作为竣工图。
(四)凡结构、工艺、平面布置有重大变更,或变更部分超过图面1/3的,应当根据设计变更文件等重新绘制竣工图。
(五)图纸破损严重或模糊不清的,应重新绘制竣工图。
第八条 竣工图的绘制与改绘应符合国家现行有关制图标准的规定。
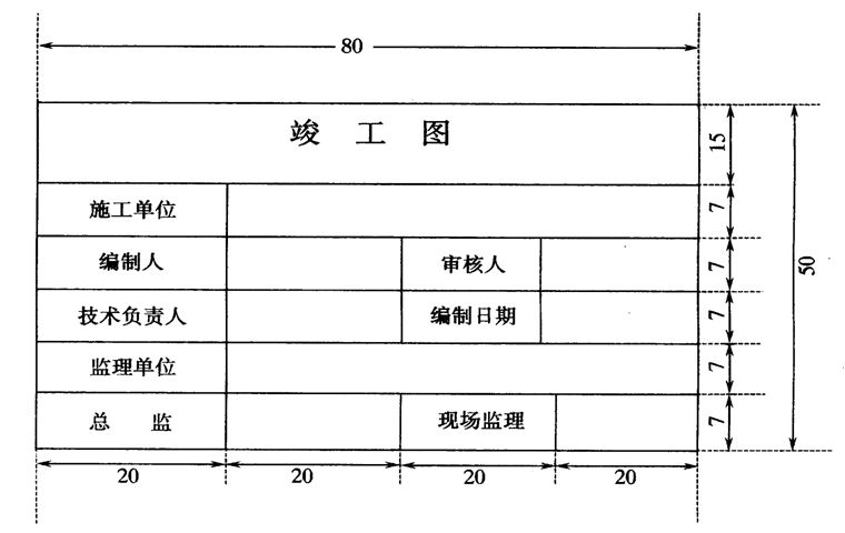
第九条 所有竣工图均应加盖竣工图章,并应符合下列规定。
(一)竣工图章的基本内容应包括:
“竣工图”字样、施工单位、编制人、审核人、技术负责人、编制日期、监理单位、总监、现场监理。
竣工图章示例如下:

(二)竣工图章尺寸为:50mm×80mm。
(三)“竣工图章”应使用不易褪色的印泥,应盖在图标栏上方空白处。
第十条 重新绘制的竣工图,应绘制竣工图图标,并加盖竣工图条章。
(一)竣工图标的内容除上条(一)的内容外,还应包括工程名称、工程号、图号、图名、比例等内容,图框栏设计符合国家制图标准。
竣工图标示例如下:

(二)竣工图条章尺寸为:40mm×15mm
竣工图条章示例如下:

尺寸为40MMX15MM 字样采用2号仿宋体
第十一条工程文件编制应符合下列要求
(一)文件材料的案卷组织
立卷应遵循工程文件的自然形成规律和工程专业的特点,保持卷内文件的有机联系,便于档案的保管与利用。
案卷组织的基本要求:
(1)一项建设工程由多个单位工程组成时,工程文件应按单位工程立卷;
(2)不同载体的文件应分别立卷;
(3)工程文件应按不同的形成、整理单位及建设程序,分别进行立卷,并可根据数量多少组成一卷或多卷,每卷厚度在20mm以内。
(二)文件材料的尺寸规格
文件材料的尺寸规格为A4幅面(297mm×210mm)。
图纸宜采用国家标准图幅,不同幅面的工程图纸应按《技术制图复制图的折叠方法》(国家标准GB10609.3-2009)统一折叠成A4幅面(297mm×210mm),并使标题栏露在外面。
(三)文件材料的整理
文件材料整理时要去掉金属物,小于标准尺寸规格的进行托裱,可将几张文件同时托裱在标准尺寸规格的白纸上,文件右边与白纸右边靠齐,托裱时使用化学浆糊。
(四)文件材料的排列
竣工文件材料按先批复后请示,先正文后附件,先文字材料后附图组织案卷。
(五)文件材料的编目
页号编写位置:单面书写的文件在右下角;双面书写的文件,正面在右下角,背面在左下角。折叠后的图纸一律在右下角。
案卷内封面、卷内目录、备考表应采用80g以上白色书写纸并按要求填写。
(六)文件材料的装订
文字材料采用不装订形式。
(七)文件材料的装具
装具采用卷盒形式,城建档案管理机构应统一卷盒。
卷盒应采用无酸纸制作。
第三章 工程文件归档
第十二条勘察、设计、施工和监理单位应当按照建设单位的要求,认真收集、整理建设项目各个环节的档案材料,并在工程项目竣工时,分别向建设单位提供完整、准确的建设工程竣工档案材料。工程文件应随工程建设进度同步形成,不得事后补编。
第十三条每项建设工程应编制一套电子档案,随纸质档案一并移交。归档的建设工程电子文件应采用下表所列开放式文件格式或通用格式进行存储。专用软件产生的非通用格式的电子文件应转换成通用格式。

第十四条建设单位报送的城市建设工程文件材料应当符合下列要求:
(一)报送的纸质工程文件应为原件;
(二)竣工文件材料的内容及其深度符合国家有关工程勘察、设计、施工、监理等方面的技术规范、标准和规程;
(三)竣工文件材料的内容应真实、准确,与工程实际相符合;
(四)竣工文件材料采用耐久性强的书写材料;计算机输出文字处理和图件应使用激光打印机。
(五)竣工文件材料字迹清楚,图样清晰,图表整洁,签字盖章手续完备。
第十五条建设单位向城建档案管理机构移交竣工档案,城建档案管理机构应对报送的竣工文件材料进行审查并办理移交手续。
第十六条 建设、设计、施工及监理单位需向本单位归档的文件,应按国家有关规定和本规定的要求立卷归档。
第四章 附则
第十七条本规定由武汉市城乡建设局负责解释。
第十八条本规定自2022年3月7日起施行,有效期5年。